Hello, welcome to Shenzhen Lanfeng science and technology official website!

Specializing in the production and manufacture of light-emitting tubes

R & D / production / sales / after-sales one-stop service

Hotlink0755-27661476

Receiving line

 

Recommend

24-Hour Hotline0755-27661476

Receiving line

LFN050

technical parameter
Boundary dimension: 49 * 20 * 13.5mm (L * w * h)
Working voltage: 2.7-5.5v
Receiving distance: 13-18m
Plug: mini5p / micro
Wire length: 50-500cm
0755-27661476
Content


1.简介:

此款产品是内含高速高灵敏度PIN光电二极管和低功耗、高增益前置放大IC,采用环氧树脂封装加屏蔽抗干挠设计,该产品已经通过REACH和SGS认证属于环保产品,在红外遥控系统中作为接收器使用。

2.特性:

●环氧树脂封装加屏蔽抗干挠设计;

●宽工作电压,2.7-5.5V;低功耗、宽角度及长距离接收;

●抗干挠能力强,能抵挡环境干挠;输出匹配TTL、CMOS电平,低电平有效;

●芯片为COMS工艺,抗静电(HBM>200V  MM>2000V).

3.应用:

■视听器材(音箱,电视,DVD,卫星接收机等);家庭电器(空调,电风扇,灯饰等);其它红外线遥控产品。

4.极限参数:

项目

符号

规格

单位

供应电压

VCC

6.0

V

工作温度

Topr

-20 ~ +80

储存温度

Tstg

-40 ~+125

*焊接温度

Tsol

260±5(5S以内)

*焊接距离距产品胶体部2.5mm以上,非受力状态下的焊接温度

5.光电参数(T=25℃  Vcc=5.0v/3.0v);产品工作电压在2.7~5.5v:

参   数

符号

测试条件

Min

Type

Max

单位

静态电流

Icc

Vcc=5.0v

0.1

0.3

0.5

mA

Vcc=2.7v

0.1

0.2

0.4

mA

接收距离

L

Vcc=5.0v※

15

18

 

m

Vcc=2.7v※

15

18

 

m

接收角度

θ1/2

EV=200±50LUX,距离衰减1/2

 

±45

 

Deg

载波频率

fo

 

 

37.9

 

kHz

感应波长

λp

 

 

940

 

nm

BPF 宽度

fbw

-3dB Vin=30μv p-p kHz

 

5

 

kHz

低电平输出

Vol

Isink=2.0mA

 

 

250

mV

高电平输出

Voh

Vcc=5.0v

4.5

 

5.0

V

Voh

Vcc=2.7v

2.2

 

2.7

V

脉冲宽度

Tpw

burst wave Vin=50mV p-p

400

600

800

μS

脉冲宽度

Tburst

Vin=50mV p-p

300

 

 

us

间隔时间

Tburst gap

Vin=50mV p-p

350

 

 

us

编码停顿时间

Tpause

Vin=50mV p-p

35

 

 

ms

     工厂室内/无阳光直射产品接收窗口/前上方1米置40W整流日光灯(光强度为200±50Lux).

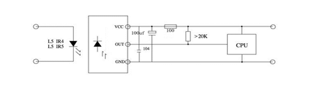
6.应用电路图:

1

7.原理图:                                        


2

8.测试波型:

3

9.特性曲线图(Characteristics Curve)(Tamb=25℃ unless otheruise specified):

5

10.兼容编码列表:

   Toshiba/NEC/Sharp/Matsushita/RC5_Philips/ RC6_Philips /SONY 12Bit.


   项目

符号

Min

Typ

Max

单位

工作电压

Vcc

2.7

5.0

5.5

V

输入频率

FM

 

37.9

 

kHz

工作温度

Topr

-20

25

80

11. 推荐使用条件:

12.可靠性测试:

测试项目

测试条件

测试时间

测试数

合格数

焊接耐热温度

温度260℃±5℃ (非受力状态下)

5秒以内

20

20

静电破坏实验

电容100PF,电阻1.5kΩ,

静电电压4KV,各引脚

 

20

20

振动实验

频率:10-50Hz/1min

振幅:1.5mm X、Y、Z/30min

30分钟

20

20

高温储存

温度85℃±3℃

240小时

20

20

低温储存

温度-25℃±3℃

240小时

20

20

高温高湿储存

温度85℃;湿度85%

240小时

20

20

高低温循环

低温-25℃(30秒),高温85℃(30秒)

10个循环

20

20

引脚弯曲

用2.5N的外力对每个引脚弯曲2次

 

20

20 


14.包装方式: 

包装方式


0755-27661476